Définition
d'une interface passive (espion)Le but de l'analyse qui suit est de définir une interface à la ligne téléphonique espion totalement conforme aux normes, avec les fonctionnalités suivantes :
L'interface devra réaliser une isolation galvanique car elle a vocation à être reliée à d'autres réseaux informatiques.
| ATTENTION, même si cette étude est faite dans le respect des normes applicables, les schémas publiés ne sont pas agréés ni homologués et donc les montages qui les utiliseront ne pouront pas être connectés à la ligne téléphonique officielle. |
Exigences et premières conséquences :
Principes :
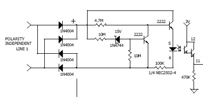
| Une première version à été étudiée, sur la base de circuits HC14 avec une petit régulateur 5V à transistor/zener. Le décroché est détecté par seuillage sous 15V, la sonnerie est détectée par seuillage au dessus de 50VAC. L'avantage est que cela ne consomme rien au repos, seulement le courant de repose de la zener. Les simulations sont parfaites, mais çà ne marche pas car les circuits CMOS consomment énormément plus lorsque la tension est au milieu. On a pu mesurer sur le proto presque 0.6 mA sur une porte, totalement en accord avec la spec (voir ci contre). C'est une caractéristique connue des circuits MOS, c'est totalement prohibitif et disqualifiant. D'autre part, ce type de montage auto-alimenté délivre une tension 5V assez variable puisqu'on est vraiment sur le coude de la zener ; les seuils des HC14 ne sont pas trop précis non plus. Le montage risque de ne pas être reproductible. Impossible de tout çà rendre plus stable sans consommer plus. Il faut trouver d'autres solutions. |
|
Ici, on cherche à détecter un seuil autour de 30V avec un montage qui ne consomme rien (<10µA), et qui s'auto-alimente sur la ligne lorsqu'il a détecté un décroché. Dans ce cas, on peut se permettre de consommer plus, évidemment.
Les seuils sont corrects, 28V [24V@50°C à 32V@-10°C].
Dans cette gamme et tant que la tension reste supérieure à 7V, le courant LED est toujours supérieur à 500µA.
La résistance de fuite équivalente en continue est autour supérieure à 4 MΩ en continu entre 40V et 80V, juste à la spec.
La capacité C1 est là pour calmer le montage, éviter les oscillations, c'est avec R3 un passe bas à quelques Hertz.
Quelques temps aprés, on a trouvé un circuit de David Johnson élégant et basé sur le même principe. Similitude étonnante non ?

Le but est de détecter une forte tension AC, au moins de 30Vrms, (même si la spécification donne 70Vrms mini), tout en présentant une impédance supérieure à 16 kΩ @50Hz.
On a donc plus de 1.8mA rms à notre service, autant alimenter la LED de l'optocoupleur directement par un redresseur.
Attention, sur les faibles niveaux l'impédance doit être bien supérieure (>>40 kΩ).
La capacité de filtrage C1 permet de lisser le courant LED. on amortit grandement le système et on le rend très robuste à des parasites, mais on perd un peu en sensibilité et surtout l'impédance d'entrée devient plus difficile à gérer, puisqu'en alternatif on a rapidement une impédance qui se réduit à R15.
On cherche un courant >500µA à 30Vrms, l'impédance devra donc être entre 60 kΩ max (30/0.5)et 16 kΩ min (spec).
Le dispositif a un seuil faible et C1 court-circuite l'alternatif, le respect de l'impédance sous faible signaux (>> 40 kΩ entre 200 et 4000 Hz) impose dans ce cas R15+C2 > 40 kΩ @4000 Hz, et donc R15=39 kΩ, R2=10 kΩ, et C2 > 220 nF (200 V).
On peut aussi baisser le courant LED à 0.1mA, et augmenter l'impédance d'entrée de 5 fois.
Cà marche et c'est simple, mais l'impédance d'entrée reste entre 40 et 200 kΩ.
Si on omet la capacité C3, l'impédance remonte, et surtout un seuil apparaît, mais il faudra que le montage aval s'accommode du commutation "hachée". On va donc profiter du seuil de la LED pour faire un dispositif qui va présenter naturellement une grande impédance sous des petits signaux pour ne pas charger la ligne audio.
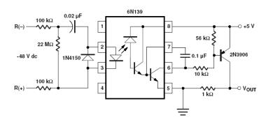
| En aval, au niveau du transistor de l'opto, il faut inventer un montage monostable. Agilent propose un schéma possible basé sur un 6N139, sans redresseur à l'entrée, donc non symétrique vis à vis de l'impédance d'entrée. Iled proche de 80µArms sous 30Vrms, Isortie > 200µA. |
|

L'impédance d'entrée est réglée pour avoir un courant de 0.7 mArms sous 30 Vrms. Avec un photocoupleur 6N139, on peut espérer alors un courant de sortie qui peut monter jusqu'à 10mA. On va fonctionner à un courant beaucoup plus fort que l'application Agilent.
La capacité C2 est là pour lisser la sortie, qui présente un niveau continu.
On peut installer un transistor PNP en sortie pour redresser les fronts, il n'est pas forcément nécessaire si le circuit utilisation peut s'accommoder de fronts lents.
Si les niveaux audio devaient être plus fort, il suffit de mettre une diode ou une led en série avec l'opto pour remonter le seuil.
On pourrait aussi rajouter au trigger de Schmitt du décroché, un simple détecteur à seuil pour détecter une tension continue au dessus de 70V.
Ce devrait marcher, l'impédance alternative est très forte, la résistance de fuite est un peu faible.
| Le plus simple est d'utiliser un transformateur 600 Ω de rapport 1:1. Ce type de transfo a une inductance primaire de l'ordre de 0.8 à 3 Henry. En général, le primaire de ce transfo est relié à la ligne téléphonique via une capacité assez forte (2.2µF) pour passer correctement les fréquences basses, générant une coupure à 120 Hz par exemple (en prenant 800mH). Une résistance série permet d'amortir le réseau, et ne pas provoquer d'amplification à la fréquence de coupure, sa valeur est L.ω/Q, soit 860 Ohms pour un Q=0.7 avec l'exemple précédent. |
|
Même si le secondaire n'est pas chargé, un tel montage présente une impédance faible à la ligne. Si l'on veut respecter une impédance de connexion forte, pour autoriser une écoute en espion, il faut absolument mettre une résistance en série assez forte. Le prix à payer sera alors une forte atténuation prévisible que l'on peut compenser aissement avec une forte amplification en aval.

C'est R1 qui va faire le module principale de l'impédance de ligne, car à 4000 Hz C1 devrait être faible. R1 sera supérieure ou égale à l'impédance minimum qu'on recherche (40 kΩ entre 200 Hz et 4000 Hz), et donc très supérieure à la résistance critique série calculée ci dessus. On prendra R1 = 39 kΩ.
Si la résistance de source est très forte et la résistance de sortie très faible, le transformateur va fonctionner en mode courant, le courant de sortie sera égal à Vin/40 kΩ, soit de l'ordre de 20µA pour 775mVeff. Ce fonctionnement est assez indépendant du type de transfo.
Si, par contre l'impédance de sortie R2 est trop forte, le transformateur ne fonctionne plus en mode courant, et l'inductance du primaire va provoquer un fort effet aux fréquences basses.
On pourrait faire fonctionner ce montage avec R2=0.
En fonctionnement en mode courant, C1 est dimensionné par la fréquence de coupure basse voulue, en considérant le réseau R1 C1 uniquement. Avec R1 = 39 kΩ, et une fréquence de coupure à 200 Hz, C1 peut être aussi petit que 20 nF théoriquement. Il faudra par contre qu'elle tienne la haute tension.
C2 sera installé pour filtrer les hautes fréquences (ADSL résiduel par exemple), en réalisant un passe bas avec R2 vue au primaire ; attention aussi à ne pas créer un circuit résonnant à trop fort Q, et ce circuit résonnant dépend essentiellement de l'inductance de fuite du transformateur, donc de sa qualité. Ce n'est pas reproductible. Donc il vaut mieux installer la capacité C2 sur un tap de la résistance R1.
2 représentations identiques du même transfo, utilisée dans
2 configurations différentes,
celle du haut en courant, celle du bas en tension.

La configuration courant est beaucoup moins sensible aux caractéristiques du transformateur.
2 possibilités :
1. par mesure des demi périodes, détection des passage à zéro ; il faut un signal propre, et puisqu'on veut mesurer des temps, éviter tout ce qui peut introduire des déphasages excessifs. Dans ces conditions, la bande passante de l'électronique après le transfo d'isolation devra être la plus grande possible, par exemple de 120 Hz à 20 kHz, 10 fois de part et d'autre des fréquences utiles.
2. par traitement du signal après numérisation ; là par contre il faut filtrer fort avant de numériser pour éviter l'apparition d'un alias et supprimer totalement les résidus ADSL à partir de 20 kHz.
Le circuit proposé par Ken Boak dans la série des "RAT remote access terminal" est très simple, basé seulement sur un transistor avec une résistance de 1Mohms sur le collecteur. Plusieurs problèmes :
|
|
Il faut quelque chose d'un peu plus sérieux, avec une vraie amplification autour de la valeur moyenne, et surtout une bonne interface au transformateur. On va utiliser un ampli op. Puisque nous avons décidé de faire fonctionner ce transformateur en mode courant, il est fondamental que l'impédance vue au secondaire soit la plus faible possible. Deux conséquences immédiates :

Le premier ampli est un convertisseur courant-tension à un gain faible, le deuxième ampli dera l'amplification nécessaire pour compenser l'atténuation apportée par la prise de ligne.On pourra attaquer un convertisseur ADC à ce niveau, c'est aussi la sortie audio nominale. Un troisème ampli est utilisé en comparateur à seuil réglé pour détecter au plus près de la tension de repos Vpol, point milieu des tensions de sortie extrêmes (ce qui n'est pas Vcc/2 pour un LM324 !) afin d'avoir des seuils bien symétriques par rapport à Vpol. Il ne faut surtout pas avoir une hystérésis forte à ce niveau. Le quatrième ampli op sera utilisé pour générer cette fameuse tension de sortie extrème.
trace
du haut : tension d'erreur en entrée du premier ampli, 100µV avec
un courant de 25 uA représente déjà 4 Ohms.
traces du bas : en sombre sortie du premier ampli (x100) et en clair sortie
du deuxième ampli.
La bande passante de ce montage est de 280 Hz à 3600 Hz, avec une coupure franche (meilleure que -18dB/octave) en haut. Les résultats sont inchangés avec un transfo à 2000mH d'inductance.
Le transfert en phase est assez linéaire sur la bande 1300-2100 Hz des signaux V23. Avec des ampli op réglés à 10kHz (330 pF//47 kΩ), on prend 20° de décalage entre les deux fréquences.
10kHz |
100kHz |
"infini" |
|
| 1300 Hz | -30° |
-24° |
-16° |
| 2100 Hz | -50° |
-41° |
-25° |
| diff | 20° |
17° |
12° |
Autrement dit, les écarts sont faibles, et on a interet à filtrer correctement même si la détection se fait sur des fronts en sortie, afin de réduire au maximum les bruits de ligne.
Bilan des erreurs pour une utilisation en fronts
|
|
1300
Hz |
2100
Hz |
|
| Déphasages dûs aux filtres RLC |
-30° |
-50° |
|
| Temps de montée du comparateur |
+/-10µs |
+/-10µs |
Le comparateur va introduire un retard pur à cause de son temps de montée/descente. Avec un LM324, on l'estime à moins de 20µs pour une amplitude de 4V, soit +/-10µs, quelque soit la fréquence. |
| Décalages
des amplis op |
+/-30µs |
+/-12µs |
En considérant un signal
utile ligne à 50mV peak (-26 dBm), un offset de 7mV sur le deuxième
ampli (LM324), revient à décaler le front de 28µs à 1300
Hz et 10µs à 2100 Hz |
| Décalage de la ligne moyenne | +/-30µs |
+/-12µs |
Il faut considérer un décalage de la valeur moyenne provoqué par le couplage capacitif, car le signal modulé comporte des composantes à très basses fréquences. Même si la bande passante est aussi large que possible, ce décalage est inévitable, et on voit au scope qu'il sera plus fort à 2100Hz qu'à 1300 Hz. Une analyse au scope sur la séquence de synchro 'UUUUU' montre un décalage maximale des crête du 2100 Hz de 8 mV, soit du même ordre que l'offset. |
| Total | +/-70µs |
+/-36µs |
Le schéma complet de l'interface ligne comporte aussi un générateur de courant 35mA pour prendre la ligne. Ce générateur de courant est activé par un petit relais REED pour respecter les tensions hautes présentes du côté ligne.
Le circuit comprend aussi un ampli audio espion autour d'un LM386 mis en route par un interrupteur sur le potentiomètre.
Au repos et en espion, la résistance DC ne descend jamais en dessous de 2.5MΩ et l'impédance est toujours supérieure à 10k.
En décroché, l'impédance est à peu près stable autour de 7kΩ.
La coupure basse est à 145 Hz (-3dB).
La coupure haute est à 3500 Hz (-3dB), 5300 Hz (-6dB), 7000 Hz (-9dB),
8700 Hz (-12dB)
Le circuit a été dessiné avec le logiciel gratuit TCI, sur une plaquette 90x80, avec 2 embases RJ11 et un jack 3.5mm permettant de sortir l'audio, mais aussi de pouvoir en rentrer à des fins de mise au point, en utilisant la fonction magnétophone d'un PC par exemple.

