ADSL - Asymmetric Digital Subscriber Line

Ce système permet de faire coexister sur une même ligne un canal descendant (downstream) de haut débit, un canal montant (upstream) moyen débit ainsi qu’un canal de téléphonie classique (POTS)

Synthèse issue du très bon article de comment çà marche  : http://www.commentcamarche.net/technologies/adsl.php3

Voir aussi : http://en.wikipedia.org/wiki/ADSL

Comment faire cohabiter un réseau analogique et ADSL sur une même ligne ?

Description d’un câble cuivre

La paire torsadée est constituée de deux conducteurs de cuivre d’un diamètre compris entre 0.4mm et 0.8mm (rarement 1mm). Les conducteurs sont isolés et torsadés afin de diminuer la diaphonie. La plupart du temps, les paires torsadées sont regroupées en quatre dans un câble protégé par un manteau de plastique. Les câbles utilisés sur le réseau téléphonique comprennent de 2 à 2400 paires et ne sont pas blindés.

structure d'un câble cuivre

Les services téléphoniques traditionnels nécessitent une largeur de bande de 3,1 kHz (la bande passante comprise entre 3oo Hz et 3400 Hz), or les câbles reliant les centraux téléphoniques aux utilisateurs possèdent tous une bande passante supérieure, de l’ordre de plusieurs centaines de kHz. C’est sur ce réseau d’accès câblé que ce sont développées les techniques xDSL.

En hautes fréquences les problèmes liés à la distance sont les plus contraignants (affaiblissement, diaphonie, distorsion de phase). Aux basses fréquences, ce sont les difficultés liées aux bruits impulsionnels qui dominent sans trop de difficulté jusqu’à 1 Mhz. Au-delà, leur utilisation devient délicate et elle nécessite des systèmes de transmission très performants.

Les limitations du réseau analogique

Le débit maximum possible sur le réseau analogique est de 33'600 bit/s en upstream et 56'000 (théorique) en downstream. On comprend l’utilité d’une technologie allant au-delà de la bande passante de 3,1 kHz.

DMT (Discrete Multi Tone) est une forme de modulation multiporteuse. Pour son application à l’ADSL, le spectre de fréquence compris entre 0 Hz et 1,104 MHz est divisé en 256 sous-canaux distincts espacés de 4,3125 kHz. Les sous-canaux inférieurs sont généralement réservés au POTS, ainsi les sous-canaux 1 à 6 (jusqu’à 25,875 kHz) sont en principe inutilisés et laissés pour la téléphonie analogique.

Chaque porteuse élémentaire est modulée en QAM, de 0 à 15 bps/Hz, sur une bande de 4kHz ; le débit maximal théorique est donc de 60 kbps par porteuse, soit près de 15 Mbps pour 250 canaux.

En pratique, on retient que 8 bits/Hz moyens par porteuse, soit 32 kbps par porteuse, soit 8 Mbps pour 250 canaux.

DMT alloue les données de manière à optimiser le débit de chaque canal c'est à dire d'adapter la transmission aux caractéristiques de la ligne téléphonique. Le nombre de bits porté sur chaque porteuse est variable, parce que les capacités internes de transport de chaque sous-porteuse varient en fonction de leur fréquence. Plus la fréquence est élevée et plus l'atténuation est importante, permettant aux fréquences les plus basses de transmettre le plus d'information. De plus, on fait varier le nombre de bits par porteuse en fonction des conditions de transmission, en plaçant un nombre plus important de bits sur les canaux les plus robustes. Ainsi pour éviter les perturbations dues au bruits ou les interférences radios il suffit de coder plus ou moins de bps/Hz sur les porteuses.

Exemples de DMT

Voir : http://deptinfo.cnam.fr/Memoires/LUSTEAU.Franck/Pages/Les_modulations_avancees.htm

Selon le standard T1.413, seuls les sous-canaux 1 à 31 peuvent être utilisés pour le débit upstream.

Les débits upstream et downstream sont séparés, soit par EC (Echo Cancelling), qui permet d’utiliser les sous-canaux inférieurs (de 1 à 31) pour le downstream et le upstream, soit par FDM (Frequency Division Multiplexing), qui est le plus utilisé en raison de sa simplicité et son faible coût, qui sépare les sous-canaux upstream/downstream par un filtre passif.

Répartition des canaux DMT sur POTS avec Echo Cancelling

Les sous-canaux 1 à 6 sont utilisés pour la téléphonie, les sous-canaux 7 à 31 pour le flux montant (800 kbps max), le sous-canal 32 est réservé, les sous-canaux 7 à 256 sont utilisés pour les flux descendant (8000 kbps max).

A noter que les sous-canaux 16 et 64 sont utilisés pour transporter un signal pilote et que les canaux 250 à 256 sont utilisables que sur des lignes de raccordement de faible longueur. Au dessus de 1 MHz, les perturbations sont trop grandes pour permettre un flux stable.

Répartition des canaux DMT sur POTS avec EC

Dans ce cas, DMT utilise la technique d’annulation d’écho sur ces sous-canaux ce qui résulte un flux en duplex sur les sous-canaux 7 à 31. Si DMT avait appliqué FDM, seuls les sous-canaux supérieurs (33 à 256) seraient utilisés pour le downstream.


INTERFACE PHYSIQUE

Les signaux ADSL sont superposées aux signaux téléphoniques. Ceux-ci ne dépassent pas 20 kHz (3 kHz pour la voix et quelques impulsions codées autour de 10-12 kHz), ceux là sont bien au delà.

Il faut installer un filtre pour séparer ces fréquences.

Deux possibilités :

Il n'y pas beaucoup de prises téléphoniques dans la maison (moins de 3) : utiliser des filtres gigognes sur chaque prise téléphone

Il y a plus de 3 prises téléphoniques dans la maison : utiliser un filtre de tête qu'il faut acheter au SAV de France Télécom (30 €). Ce filtre est plus complexe, et plus performant vis à vis des téléphones/répondeurs et fax. Il est totalement identique à un filtre gigogne pour la voie ADSL.

Zblocker filter, ref Z-200FR Excelsius Tech Inc

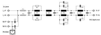
C'est basique, la sortie ADSL n'est même pas filtrée en continu, un passe bas simple pour le combiné téléphonique.

C8, C9=120 nF 400V R1, R2=1k

C5,C6 = 12n C2,C3=22n C7=47n C4=1.5n C1=100p

Le filtre est plus sophistiqué, de 2 ordres supérieurs, il n'y a plus de résistance en série

 


Comment tester sa liaison ?

Voir son adresse IP : http://checkip.dyndns.org:8245/

Tester si un port est ouvert sur son adresse IP : http://www.preinheimer.com/cgi-bin/connectiontest/connectiontest.cgi

Tester le débit :