COMMENT
AMORCER UN TRIAC CORRECTEMENT ?
![]() |
Un triac s'amorce lorsque la tension Vg est supérieure à
un seuil Vgt (1.5V) et le courant Ig est supérieur à un
seuil Igt compris entre 5 et 100mA, dépendant du type de triac,
de la polarité de Ig et de la polarité de la tension d'anode
A2. La commande Ig>Igt doit être maintenue le temps nécessaire pour autoriser le courant à dépasser le seuil IL (latch) à partir duquel le triac est amorcé. Ainsi, la largeur de l'impulsion de commande dépend de la vitesse de montée du courant dI/dt. Par exemple avec une charge résistive de 100W (530 Ohms) sur le secteur 230V, la vitesse de montée du courant est de 200 A/s au passage à zéro, et on atteint 70mA (valeur latch par exemple) en 350µs. Cela revient à dire que l'impulsion de commande doit être large au passage à zéro, elle peut être plus fine lorsque la vitesse dI/dt est forte, par exemple lorsque le triac commute au max tension.
Le courant Igt dépend beaucoup de la température, et augmente fortement (+50%) lorsqu'il fait froid et diminue lorsque le triac est chaud (-30% à +100°C). Le courant IL dépend aussi de la température dans le même ratio.
|
![]() |
Le quadrant 4 (impulsion +, tension A2 -) est toujours le plus mauvais, le courant est en général 2 fois supérieur à celui des autres quadrants. Les triacs modernes ne peuvent d'ailleurs plus être amorcés sur ce cadran. On les appelle des Q3.
Les deux meilleurs quadrants sont le 1 et le 3, c'est à dire que l'impulsion de commande a la même polarité que la tension A2. Si l'impulsion ne peut pas changer de polarité (commande par un circuit logique par exemple), on préférera une impulsion négative, qui va faire travailler le triac dans les quadrants 2 et 3, afin d'éviter le quadrant 4.
Noter un schéma très original de C. Tavernier permettant l'amorcage sur les quadrants 2&4
|
L'utilisation d'une charge inductive comme un transformateur de lampe halogène basse tension, amène des contraintes particulières, car le courant est déphasé, et donc le triac ne se désamorce par au passage à zéro de la tension, il peut rester conducteur suffisamment de temps pour que l'impulsion d'amorçage suivante soit sans effet. En final, c'est un courant redressé qui circule dans le transformateur ! Ce qui peut produire des dommages irréversibles très rapidement.
Ce phénomène ne se produit que pour des angles d'amorçage
inférieurs au déphasage amené par la charge inductive.
Voir les courbes typiques tirées d'une note d'application ST
"HOWTO SELECT A SUITABLE CIRCUIT CONTROL BY A TRIAC FOR AN INDUCTIVE LOAD
AN308"

La notice du LS7631 donne les solutions employées par LSI
pour fonctionner avec des charges inductives :
1. si l'amorçage arrive à un moment ou le triac est déjà
amorcée, on attend que celui ci se désamorce pour lui appliquer
l'impulsion. Ceci élimine de fait la cause de fonctionnement en demi
alternance.
2. la première impulsion est de 130µs, si elle échoue, une
deuxième impulsion de 260µs est tirée 1ms plus tard.
si la fréquence d'occurrence de ces 2 phénomènes dépasse
un seuil (15 fois en moins de 8*15 périodes secteur), le circuit se met
en sécurité (ndlr : bizarre ! Si une charge inductive est présente,
on risque d'avoir ces phénomènes à tous les cycles).
La solution est alors simplement d'amorcer le triac avec une tension continue, mais cela amène une forte consommation, acceptable dans les gradateurs professionnels DMW (lampes de 1 à 2 kW), douloureuse pour les montages grands publics.
|
![]() |
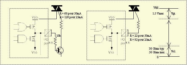
Amorçage d'un triac sur une sortie µC
Le plus simple est d'utiliser un transistor NPN standard genre BC547B. La résistance de porte sera supérieure à 68Ohms.
On peut aussi commander directement la porte à la sortie du microcontrolleur, et prendre en compte que le FETMOS canal N va se comporter comme une résistance comprise entre 30 et 50 Ohms. La résistance Rgate dépend du courant voulu. Si on souhaite garantir 50mA, on prendra 22 Ohms, si 25mA suffisent, on prendra 82 Ohms. Cette façon de faire est hors spécification, Philips par exemple considère que les sorties des ses µC ne peuvent pas sortir plus de 20mA, et propose d'en mettre plusieurs en parallèle. ST fait de même pour ses micro ST6.

Amorçage intelligent
Il consiste à utiliser des impulsions fines tant que le triac n'est pas amorcé. On peut regarder la tension à l'anode A2, on peut aussi plus subtilement regarder la tension Gate.
Par exemple, le circuit trouvé dans un catalogue et dans une note d'application AN467 de NXP (Philips) : "Philips 51LPC-Microcontrollers & Triacs easily connected"
Le circuit regarde la tension gate, et avec les valeurs du schéma, on
peut en déduire que le seuil sur la gate est de +/- 238mV. Un autre schéma
(dans AN467) avec d'autres valeurs donne +/- 111mV.
Ce principe de détection est breveté par Philips, ils disent que la tension gate est comprise entre 0,1 et 1V lorsque le triac conduit, et qu'elle s'annule lorsque le courant s'annule, donc précisemment au moment où le triac va s'arrêter de conduire.
On retrouve ce principe dans le circuit U2010B de Siemens.
Implantation d'un amorçage intelligent
Avec le câblage utilisé dans une maquette avec un PIC16F628, le comparateur C1 (RA3-RA0) est à un, si la tension "gate" est 110mV au dessus de Vdd (alternance positive), et le comparateur C2 (RA2-RA1) est est 110mV au dessous de Vdd (alternance négative). Il suffit donc de vérifier qu'on a une combinaison 01xx xxxx ou 10xx xxxx dans le registre CMCON, pour décréter que le triac est amorcé.
Le triac est amorcé avec des impulsions de 5µs, et on vérifie
25µs qu'il est effectivement amorcé en mesurant la tension à
la broche "Gate" (voir fiche sur l'amorçage des triacs, principe
Philips/NXP note d'application AN467). Si cette tension est supérieure
à Vdd+xx (alternance positive) ou inférieure à Vdd-xx (alternance
négative) le triac est amorcé, ce n'est plus la peine d'envoyer
des impulsions d'amorçage.
L'oscillogramme suivant illustre la tension de commande "gate" pour
un amorçage à ~7.5ms avec une seule impulsion de 5µs, une
charge de 30W et un triac sensible TIC216D. On voit nettement que la tension
"gate" prend une valeur entre 600 et 800mV après l'amorçage,
avec la polarité de la tension secteur sur l'anode A2.
Tension continue générée par une dissymétrie
L'instant d'amorçage est considéré classiquement comme identique pour l'arche positive et négative. Si une dissymétrie à l'amorçage apparaît, une tension continue est générée. Cette tension est sans danger pour les lampes, et autres charges résistives, mais il n'en va pas de même pour les charges inductives comme un moteur ou un transformateur. Dans ces cas, une tension continue va créer un champ constant qui va magnétiser le circuits magnétique.Cette tension est faible, 2 Volts max avec une dissymétrie de 30µs.