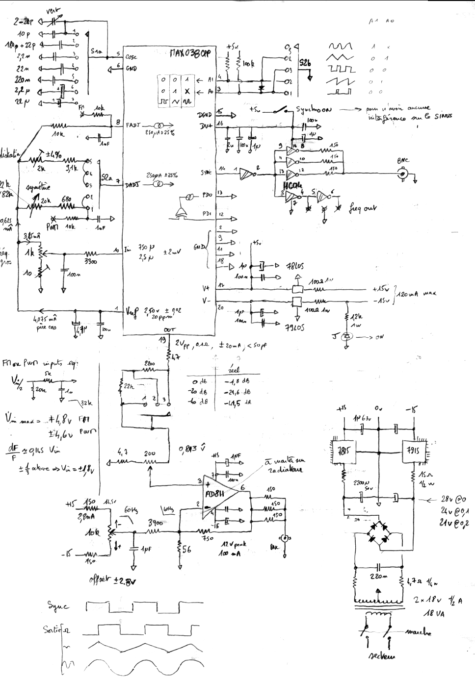
Voilà la description d'un générateur de fonctions basé sur l'excellent circuit MAX038 de MAXIM. Celui ci permet de dépasser 10MHz sans problème.
La
fréquence se règle par un courant injecté en pin 10, inférieur
à 750µA, un simple potentiometre suffit pour cela, la variation
de la fréquence obtenue est presque linéaire.
Ce circuit n'a pas besoin de grand chose pour fonctionner, il suffit d'un ampli de très bonne qualité sur la sortie pin 19, et d'un buffer pour le signal carré en pin 14.
L'alimentation est +/- 15V et le MAX038 dispose de 2 régulateurs +/- 5V personnels.
Le choix de l'ampli de sortie est fondamental. Ici j'ai choisi un AD811.

Cet ampli supporte aussi l'introduction d'une tension d'offset réglable en face avant.
On notera que le circuit de sortie HC04 peut être mis hors tension, en effet celui ci provoque une petite interférence sur la sortie sinus lorsqu'il est utilisé. On aurait pu investiguer et installer un filtrage correct, j'ai préféré utiliser une interrupteur.

Le montage prend place sur un circuit imprimé qui va être plaqué sur la face avant de l'appareil ce qui permet d'avoir des liaisons les plus courtes possibles. Les potentiometres et contacteurs sont directement montés sur le circuit imprimé.

La face avant est assez simple

